Установка ДХО Toyota Camry ACV40
Задача: установить дневные ходовые огни (ДХО) на Toyota Camry ACV40

После введения правил о ДХО, и в связи с этим у кого их нет необходимо ездить с включенным ближним светом.
Но после нескольких раз как я забыл выключить фары, начал искать схемы ДХО. Решил, что лучше будет сделать как на американцах (дальний в половину накала), и работать они должны согласно правилам. С минимальной переделкой и добавлением 2-х реле и 2-х диодов все получилось.
Как заводишь машину, дальний горит в полнакала, при включении габаритов начинают работать в нормальном режиме.
Ход работ по установке дневных ходовых огней (ДХО) для Toyota Camry ACV40
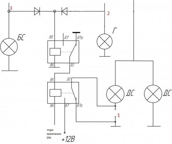
Вот сама схема ДХО, она подходит к автомобилям с раздельным ближним и дальним.

Вид собранных реле. Реле покупал в автомагазине для русских авто. Диоды нашел в магазине с сигнализациями. Делал всё на обжимках, хотя можно было и запоятся, но при неисправности реле будет трудно заменить её, также можно в магазине купить готовые разъёмы для реле.

Это общий вид подключения, что куда в блоке реле и предохранителей. Место для реле долго не искал на R1 есть место, где должны были стоять какие-то реле, как раз они туда и поместились, на других комплектациях может быть занято тогда придётся искать другое место.

На схеме не указанно, но на общий + надо установить предохранитель на 25 ампер, я вначале поставил 15 ампер он начал плавится.





Результат: работы по установке ДХО на Toyota Camry ACV40 выполнены.
https://www.drive2.ru/l/288230376152080321/
13869|
|
Твитнуть |
Метки: дневные ходовые огни
Комментарии
- Комментарии не найдены


Оставьте свой комментарий
Войдите под своим именем, чтобы оставить комментарий
Оставить комментарий от имени гостя