Ремонт тормозов, суппорторв ВАЗ 2101, 2106, 2107 КЛАССИКА
Содержание статьи:
- Установка передних тормозов от ВАЗ 2110-12 на ВАЗ Классику
- Снятие и ремонт передних суппортов на Ваз 2101 (передние тормоза)
- Установка тормозов ВАЗ 2112 на ВАЗ классику
- Полезные чертежи для установки суппортов ВАЗ 2112 в ВАЗ 2107
Установка передних тормозов от ВАЗ 2110-12 на ВАЗ Классику
Пройдя процедуру замены тормозов на своем автомобиле, я хотел бы поделиться опытом и советами с теми кто только собирается такую операцию производить.
Напомню, что тормозные механизмы Ваз 2110 рассчитаны на 13' тормозные и колесные диски, механизмы же Ваз 2112-только под 14' диски. Поскольку у меня оба комплекта колес 13'- выбор пал именно на тормоза Ваз 2110.
Начнем с причин.
Главная из них-эффективность торможения, особенно с больших (порядка 110км/ч) скоростей. Ни для кого из владельцев Классики не секрет, что штатных тормозов хватает на два-три мощных экстренных торможения с приличных скоростей, после чего можно смело идти в магазин за новыми дисками, ибо старые ведет от перегрева. Вентилируемые тормозные диски позволяют использовать тормоза, не думая о том, как тяжко им приходится.
Еще одна причина-простота обслуживания суппортов 2110-12, колодки менять одно удовольствие, плюс возможность установки скрипунов на колодки, которые помогут вовремя вспомнить о замене последних.
Ну и пока что последняя причина, явившаяся приятным бонусом: суппорт с диском Ваз 2110 на ощупь, весит килограмма на 4 меньше родных тормозов. Уже при выезде с работы я почувствовал, что передняя подвеска стала отрабатывать больше мелочей и вообще, работать помягче.
Собственно, перейдем к процедуре покупки и установки тормозов.
Покупка
Для установки комплекта тормозов Ваз 2110 на классику необходимо купить:
Комплект адаптеров (2шт) для установки на переднюю ось Классики суппортов Ваз 2108-10-12, вот таких:

Тормозные диски Ваз 2110, я остановил свой выбор на дисках в упаковке "Лада-Спорт"- вентилируемые, перфорированные, с проточками. При ближайшем рассмотрении диски оказались изготовленными фирмой "Алнас", которая зарекомендовала себя как производитель качественных комплектующих.

Очень настоятельно рекомендую заранее купить весь крепеж для поворотных кулаков и сошек, а также сами рулевые сошки (в магазинах значатся под названием "рычаг поворотного кулака Ваз 2101-07"). Длинные болты настолько сильно закисают в сошках, что ни выбить, ни высверлить я их так и не смог, в итоге и заменил обе сошки, они были куплены также в магазине Русь-Трейд. Крепление суппорта к адаптеру я сделал на болтах крепления шаровых опор Ваз 2108(на работе их много валялось новых, шляпы у них под ключ на 16, идут с гровером).
В зависимости от состояния ступичных подшипников и сальников ступиц их тоже можно заменить, ступицу все-равно нужно будет в процессе установки снимать.
Установка
Начать установку стоит с того, что под капотом автомобиля необходимо хорошо пережать шланг, идущий от бачка с тормозной жидкостью к поршню переднего контура главного тормозного цилиндра(их там два, нам нужен тот, что ближе к моторному щиту, т.е. задний по ходу авто). Делать это необходимо для избежания сильного завоздушивания контуров после снятия родных суппортов и шлангов. Очень удобно для этого использовать медицинский зажим с фиксатором, если такого под рукой нет-можно обойтись тонкогубцами/пассатижами, многократно, с возрастающим усилием обмотав их ручки тугой резинкой или веревкой.
Далее демонтируем родные тормоза, сложностей здесь никаких нет- откручиваем суппорт от кулака, затем тормозной шланг, снимаем тормозной диск, и, отвернув ступичную гайку(их лучше расконтрить острым бородком перед этим, резьбу не попортите и новые гайки не обязательно покупать), снимаем ступицы. Внимание! Резьба на правой ступичной гайке - правая, т.е. гайка откручивается по часовой стрелке.
Далее начинается самое сложное- нужно открутить родной адаптер суппорта и сошку от кулака. С одной стороны, я пытался их открутить, короткие болты без особых проблем отвернулись, а вот длинные, которые держат сошку, подложили свинью. Если у вас есть доступ к болгарке-сразу их спиливайте, сэкономите кучу времени и нервов. Другой вариант-высверливать шляпки. Из адаптера суппорта и кулака они выбиваются нормально, а вот из сошек можете даже не пытаться. Забыл сказать, рулевые наконечники тоже придется снять, тут уж кто на что горазд, я пользовался универсальным съемником шаровых шарниров Force и пневматическим гайковертом. Главное не испортить резьбу на пальцах.
Следующую операцию лучше сделать заранее. Еще дома, приложив адаптеры к суппортам 2110, я увидел, что адаптеры придется подтачивать со стороны тормозного цилиндра, иначе одно крепежное отверстие не совпадает. На фотографии это хорошо видно:

После подпиливания болгаркой по намеченным линиям должно получиться что-то вроде этого:

После этого можно начинать сборку.
Хорошенько почистите железной щеткой привалочную плоскость кулака от ржавчины. В процессе сборки крайне рекомендую смазывать все сопрягаемые плоскости и болты любой консистентной смазкой (литол, шрус-м и т.д.) во избежание их закисания и для облегчения будущей разборки узла, если таковая понадобится. Я пользовался универсальной высокотемпературной литиевой смазкой фирмы МС

Устанавливаем на кулак адаптер (не перепутайте правый с левым), сошку, затягиваем как следует все болты. На то, что у родных болтов сточена одна грань шляпки, для того, чтобы не задевало о ступицу, можно не обращать внимания, у меня с обычными шляпками ничего не задевает. Ступичную гайку подтягиваем от руки, регулировку зазора подшипника нужно будет делать в самом конце, с установленным колесом.

Устанавливаем тормозной диск (если они не стандартные-не спутайте правый с левым), и суппорт:


Далее подключаем гидравлику и прокачиваем тормоза по стандартной схеме. С другой стороны, повторяем все операции. После установки колес необходимо отрегулировать тепловой зазор ступичных подшипников. Ничего сложного в этой процедуре нет, информация есть в интернете, на всякий случай расскажу как делаю я. Подшипник потихоньку подтягивается до того момента пока руками не перестанет ощущаться люфт колеса по вертикальной оси (шатаем колесо взявшись руками на 12 и 6 часов), после этого гайка отворачивается на градусов 10. Это обеспечит необходимый тепловой зазор для нормальной работы подшипника. Гайки законтриваем заточенным бородком. Не забудьте, на правой гайке резьба правая, гайка закручивается против часовой стрелки.
Вот собственно и все. Ездим и наслаждаемся работой новой системы.

Даже не притертые, с дрянными штатными колодками они тормозят немного лучше родных тормозов, представляю, что будет с притертыми колодками TRW. И еще один момент, который нужно будет исправить-опасная близость тормозных шлангов к рычагам, на фотографиях это хорошо видно, немного позже я думаю поставить обратно штатные шланги, либо придумать какой-то крепеж для этих, чтобы избежать их перетирание рычагами. Ну и из-за замены сошек слегка сбилось схождение, придется заехать на сход-развал.
Снятие и ремонт передних суппортов на Ваз 2101 (передние тормоза)
Заметил, что когда машина после поездки постоит ночь, её хрен сдвинешь с места на обычных оборотах двигателя. Приходилось делать перегазовку и так сказать "срывать" с места колеса. На задние колеса я не грешил, так как недавно менял колодки и отрегулировал мало-мальски нормально. А вот с передними тормозами прям какая-то беда. Еще когда у меня появились "колеса" первым и вторым делом я поменял расходники по ходовке и передние колодки (задние еще живые были на тот момент). Прошло 3 года, проблема не ушла.
Итак, наступил отпуск, удобный момент для реализации задумок и понеслась…
Первое, что нам нужно это ИНСТРУМЕНТЫ, а именно: домкрат, балонный ключ, ключи на 10, 14(у многих 13) и 17и при наличии такие же головки, отвертка, пассатижи, молоток, ключ разрезной для трубок, тиски стационарные, какая-нибудь емкость для сбора деталек. Что не указал смотрите на фотки.

Используемый инструмент для снятия передних суппортов на ваз 2101
Из деталей: Тормозная жидкость (1л, но можно и поменьше), ремкомплект передних тормозных цилиндров

У меня был еще советский набор, но в таком же количестве
Кто надумал заменить тормозные цилиндры полностью, то менять их желательно парами (внутр.+наруж.).
Начнем-с…
Домкратим колесо, прокручиваем руками и заодно проверяем на люфты в подшипниках (не помешает)


Снимаем колесо и наблюдаем следующую картинку

Имеем ступицу, суппорт, шланги и др.
Откручиваем болт крепления кронштейна тормозного шланга к суппорту и снимаем кронштейн.



Откручиваем болт крепления тормозного шланга и снимаем его с верхней уплотнительной шайбой и тормозным шлангом. Здесь быть внимательным нужно, ибо на тормозном цилиндре остается вторая (нижняя) уплотнительная шайба. Не потеряйте ее, иначе вам придется искать её у себя в метизах, потому что без нее никак. Как только начнете выкручивать этот болт из-под него начнет сочиться тормозная жидкость, и только от степени вашего мастерства будет зависеть сколько тормозухи придется потом долить в бачок. Когда выкрутите и снимите болт со шланга — дырку нужно будет закрыть чем-либо (к примеру кусок резины от камеры скрученный конусом прекрасно справился с поставленной задачей). Так, дырку заткнули, снятые детали сложили в одном месте и не потеряли медную шайбу.
Снимаем два шплинта с пальцев; выбиваем пальцы из тормозных цилиндров; снимаем прижимные пружины тормозных колодок и вынимаем их.

Если они не поддаются, а в большинстве случаев с заклинившими тормозами так и есть, то на помощь приходит молоток, пробойчик или что-то похожее и аккуратно выбиваем колодки. Кстати колодкам может не давать выходить буртик на диске образованный выработкой колодок.


Пришел черед откручивать два болта крепления суппорта. Я прочитал несколько мануалов в которых написано про стопорные шайбы, но у себя кроме гровера (что и так по сути является стопорной шайбой) не увидел (и не нащупал). В руки берем ключ (головку и вороток) на 17 и смело с усилием Вирастюка откручиваем




Вот и закончилось снятие суппорта. Кстати без колодок тормозной диск крутится очень весело!



Установка суппорта обратна процессу снятия, так что проблем быть не должно.
Но у меня возник конфуз — сели батарейки на фотике, так что дальше без фотосопровождения.
Берем снятый суппорт и идем сначала в удобное место, чтобы снять соединительную магистраль, а потом к тискам по пути захватив молоток и деревянный брусок (все-таки алюминий, жалко). Здесь нужно не забыть про фиксатор, который покоится на каждом цилиндре и его можно увидеть по прорези в корпусе суппорта. А покоится он у меня потому, что все залипло грязью и после вжатия его единократно он уже не вернулся на место. Ну ничего, мы это поправим. Магистраль тоже может закиснуть и не поддаться на провокации, поэтому следует рассмотреть вариант покупки запасных.
Сначала фиксируем одну стороны суппорта, а с другой выбиваем тормозной цилиндр и запоминаем и обозначаем стороны с которой сняли. Туже процедуру повторяем с другим тормозным цилиндром.
Осмотрев снятые цилиндры я впал в ступор. Как вытянуть сам нажимной цилиндр. и пришел к выводу что нужно подсоединить назад к тормозному шлангу и прокачав педалью тормоза несколько раз он выйдет из корпуса. Так оно и получилось, но здесь главное не перестараться, ибо можно потерять много тормозухи, что у меня на первом пробнике и вышло. Вот почему нужен 1л жидкости))). С другим цилиндром я поступил также, только в соседнее отверстие завернул заглушенную трубку с магистрали (валялась в деталях).
Теперь тщательно их вытираем и диагностируем. У меня все обошлось маленьким шкрябаньем ножичком кромок от окислившегося алюминия и все. На каждый цилиндр приходится один сальничек, который ставиться внутри корпуса и один пыльник — натягивается после установки нажимного цилиндра на место. Перед установкой все промазываем в тормозной жидкости и собираем. Сразу скажу, нажимной цилиндрик очень плохо, почти не входит в корпус, поэтому его нужно вбивать молотком одновременно по двум концам (надеюсь, поймете).
Забыл сказать про фиксатор. Я его вытянул, отверстие продул воздухом легких, смазал литолом и поставил назад. Собираем все назад, а потом еще назад, устанавливаем на машину и прокачиваем это колесо. Прокачивать другие колеса не имеет смысла, так как колдун (распределитель усилия) не позволил запустить воздух в задние цилиндры.

Установка тормозов ВАЗ 2112 на ВАЗ классику
Выкладываю мануал по установке тормозов ВАЗ 2112 на классику.
Необходимый инструмент и детальки мелочевка
Ключи 7мм — открутить шпильки, 8мм — прокачка тормозов, 13мм — установка колодок в новый суппорт, 14 мм — открутить старый тормозной шланг от старого суппорта и прикрутить на новый, ключ на 15 мм снять тормозной шланг с суппорта ВАЗ 2112 — при условии, если он там прикреплен, ключ 17мм головка + трещотка и стандарт, 27 мм — накидной или головка.
Шайбы под тормозной шланг — 4 шт., длинные болты для крепления план шайб 99% что родные прикипели — 4шт.
Да и все. Литол — 24 и тормозная жидкость.
Итак, перечень этапов и последовательность:
1. Снимаем колесо) — 4 откручиваем 4 болта.
2. Снимаем суппорт родной 13" — не откручивая шланг тормозной жидкости держится на 2 болтах на 17мм

места крепления суппорта


3. Снимаем тормозной диск 13" вместе со ступицей — 1 гайка на 27мм, предварительно открутив шпильки.
4. Снимаем родную планшайбу, вместе с пыльником — 4 болта на 17мм

Дальше об этапах сборки и что необходимо предварительно сделать:
1. Нужно взять ножницы по металлу или болгарку разрезать пыльник — вот так как на фото и разогнуть молотком. Иначе диск 14" не встанет.

Просьба обратить внимание где еще необходимо покромсать пыльник, чтобы новый суппорт спокойно встал на свои посадочные места. Вырезать только под установку суппорта.

2. Крепим новую планшайбу (как ставить ее видно на рис. выше) предупреждаю не забудьте вставить нижний болт в новую планшайбу иначе рычаг просто не даст вам его потом установить, и еще советую вместо нижнего болта туда устанавливать наоборот верхний с плоской шляпкой, а не круглой вместе с пыльником также 4 болтами назад, перепутать места установки длинных и коротких болтов нереально). Единственно обращаю внимание на необходимость установки скоб для жесткой фиксации болтов и гаек от раскручивания.
3. Необходимо сначала сточить по кругу любым удобным способом небольшой выступ на ступице иначе тормозной диск не сядет см. на фото, явно видно где стачивать

4. Установить ступицу назад на нее новый диск. Точите ступицу лучше - иначе будет Вам АБС, чтобы проверить ровно ли лег диск. Одеваем его на ступицу, не притягивая и пытаемся покачать из стороны в сторону, если есть люфт, то продолжаем точить притягиваем шпильками и крутим также проверяем на ровность вращения, не перетяните ступицу! лучше затянуть до тех же расклепанных мест на гайке и заново их расклепать.
5. В тормозной суппорт вкладываем колодки и одеваем их его сверху на диск, фиксируем суппорт 2-мя болтами).
Еще раз проверяем на ровность вращения — допускается биение менее 0,2 мм…
6. Откручиваем тормозной шланг со старого тормозного суппорта — гайка 14 мм, Берем новые шайбы из бронзы и крепим родной шланг от ВАЗ 2101 или новый такой же на новый суппорт. Это для того чтобы главной тормозной не нахватался воздуха потеря тормозухи минимальна.
Гайка отмечена на фото
7. Прокачка тормозов желательно все контуры.
Вот готовый результат:



Из форс мажоров: мне пришлось заменить одну ступицу (съело резьбу на одном из болтов) диск с резиной держался на трех болтах и пыльник новый внутренний на нее же.
Делюсь первыми впечатлениями, новые тормоза начинают набирать обороты проходит оперативная притирка колодок эффективность их начинает возрастать, но я чувствую, что максимальная агрессия еще впереди.
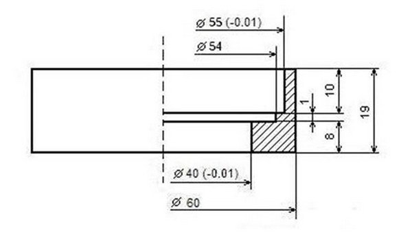
Полезные чертежи для установки суппортов ВАЗ 2112 в ВАЗ 2107

А это уже мой чертеж.
Вот немного чертежей, может кому пригодиться.






https://www.drive2.ru/l/3010828/, https://www.drive2.ru/l/5668721/, https://www.drive2.ru/l/288230376152186883/, https://www.drive2.ru/l/925982/
79361|
|
Твитнуть |
Метки: передний суппорт, передние тормоза
Комментарии
- Комментарии не найдены


Оставьте свой комментарий
Войдите под своим именем, чтобы оставить комментарий
Оставить комментарий от имени гостя